取り付けパーツ
Connecting Parts
取り付け用固定金具(本体受け側)
※ 取り付け用固定金具(本体受け側)は、ガススプリングを取り付ける相手側に取り付ける固定金具です。
取り付け用固定金具(本体受け側) 一覧
表をクリックで、拡大表示します。
フレーム装着用金具L型(ボタン装着タイプ)
フレーム装着用金具コの字型(ボタン装着タイプ)
フレーム装着用金具S型(ボタン装着タイプ)
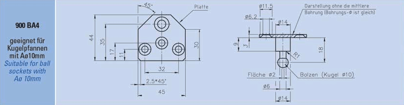
フレーム装着用金具コの字型(ボールソケット)
フレーム装着用金具L字型(ボールソケット)
フレーム装着金具(クリップ装着タイプ)
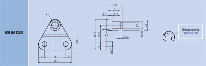
フレーム装着用小型金具L字型(Cリング装着)
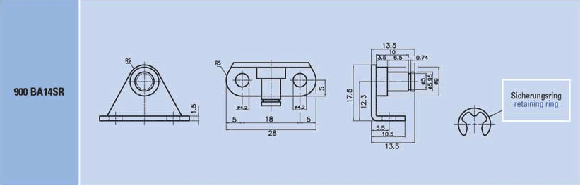
フレーム装着用小型金具コの字型(Cリング装着)
小型ガス用小型金具L字型(Cリング装着)
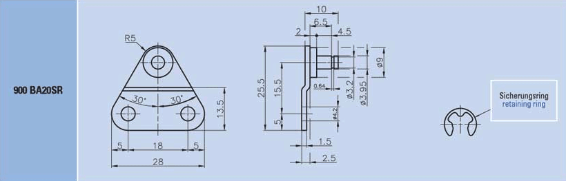
小型ガス用小型金具コの字型(Cリング装着)
ステンレススチール仕様も対応!
屋外、船舶、加工機、水気の多い工場などでご利用される場合は、ステンレススチール製のガススプリングが力を発揮します。バンズバッハ社は、ほぼ全てのガススプリングとロック付ガススプリングでステンレススチール製を製作することが可能です。お客様のアプリケーションに適したステンレスガススプリングを製作いたします。取付金具についてもステンレススチール製を多く取り扱っております。
※ ピストンロッドとシリンダーは、指定サイズのみ対応可能です。
カタログ(PDF)のダウンロード
※ 始めに必ず「ガススプリング使用上の注意」「ガススプリングの基礎知識」をお読みください。
※
アイコンの付いたカタログは、閲覧・ダウンロードするのにパスワードが必要です。
ご覧になりたい方は、お問合せフォームより必要事項を記入の上、弊社までご連絡ください。
折り返しパスワードを送付いたします。
ガススプリング使用上の注意 (※必ずご一読ください)
(PDF / 135KB)
ガススプリングの基礎知識(役割、特性、測定位置)
(PDF / 2.9MB)
バンズバッハ(Bansbach)の製品が選ばれる理由
バンズバッハ社は、高い技術力とロボットによる集中管理で、他メーカーには真似できない高品質、オーダーメイド、短納期を実現しています。
-
全オーダーメイド対応
ご希望のストロークやガス反力など、全てお客様専用のオーダーメイドで製造します。
-
機能の特殊性&マルチな操作
縮まるガススプリングや、ボールペンより小さい超小型ガススプリングも製造可能。
-
1本から制作&短納期
集中管理された400万種類以上のパーツを組み合わせて、1本から製造いたします。
バンズバッハ・イージーリフト社(Bansbach easylift GmbH)
バンズバッハ・イージーリフト社(Bansbach easylift GmbH)は、工業都市として有名なドイツのシュトゥットガルトに本拠を構えるガススプリングメーカー。「オーダーメイド」と「機能の特殊性」を理念に掲げ、様々な分野で評価されています。
お気軽にお問合せください
(株)コズモは、日本における唯一のバンズバッハ社の正規代理店です。
お問合せ・カタログ閲覧パスワードのご請求は、メールフォームよりお願いします。
※ 法人様のみの対応となります(個人様は未対応です)。
株式会社コズモ(バンズバッハ社正規代理店) 
バンズバッハ社のガススプリングは、ご希望のストローク・ガス圧にオーダーメイドできます。株式会社コズモは、日本の正規代理店として操作性の高い製品の開発をお手伝いいたします。お気軽にお問合せください。























